M12 公頭 3PIN B-Coded 線端焊線式防水連接器/連接器






WP-03M2-161-11/連接器
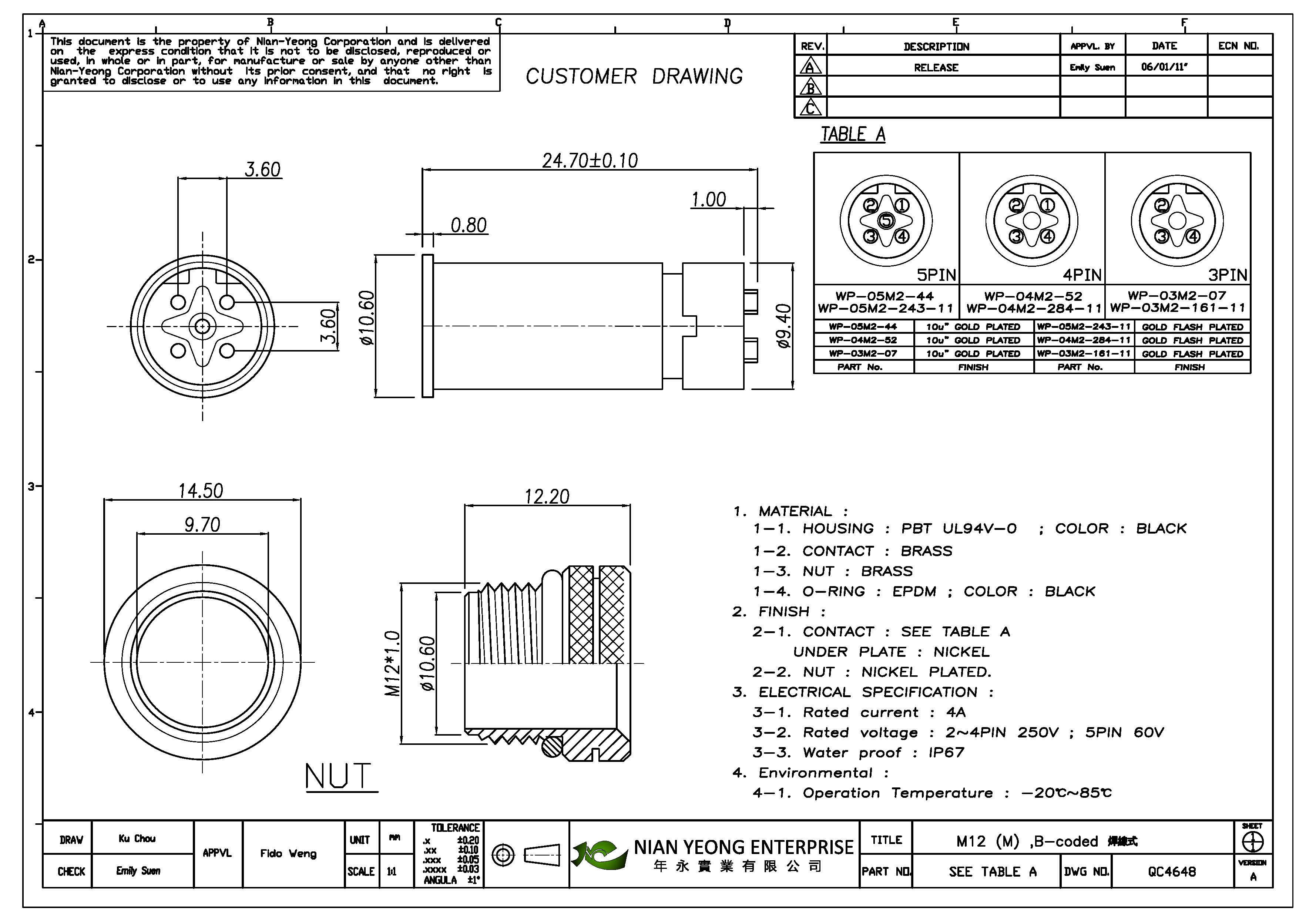
產品特性
- 種類 公頭
- 針數 3 Pin
- 額定電流 4A
- 額定電壓 250V
- 防水等級 IP67
- 工作溫度 -20℃ ~ 85℃
材質
- Housing PBT
- Contact Brass
- Nut Brass
- O-Ring EPDM
配件
- 防水蓋/防塵蓋 NY-WP199
產品影片
/ 連接器