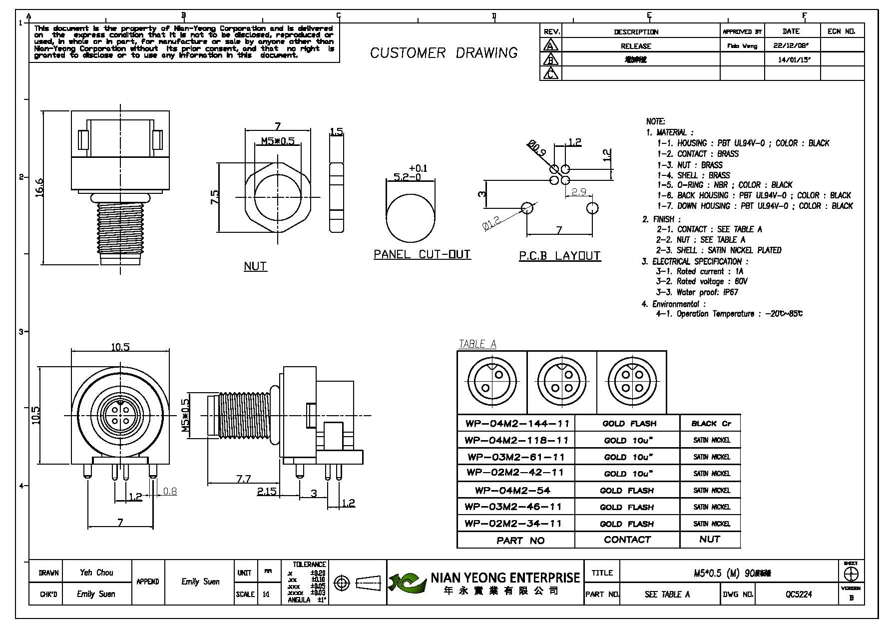
M5 公頭 4PIN 前鎖90°插板式防水連接器(Lock:M5*0.5)/連接器






WP-04M2-54/連接器
產品特性
- 種類 公頭
- 針數 4 Pin
- 額定電流 1A
- 額定電壓 60V
- 防水等級 IP67
- 工作溫度 -20℃ ~ 85℃
材質
- Housing PBT
- Contact Brass
- Nut Brass
- Shell Brass
- O-Ring NBR
- Back Housing PBT
- Down Housing PBT
配件
- 防水蓋/防塵蓋 NY-WP293
產品影片
/ 連接器