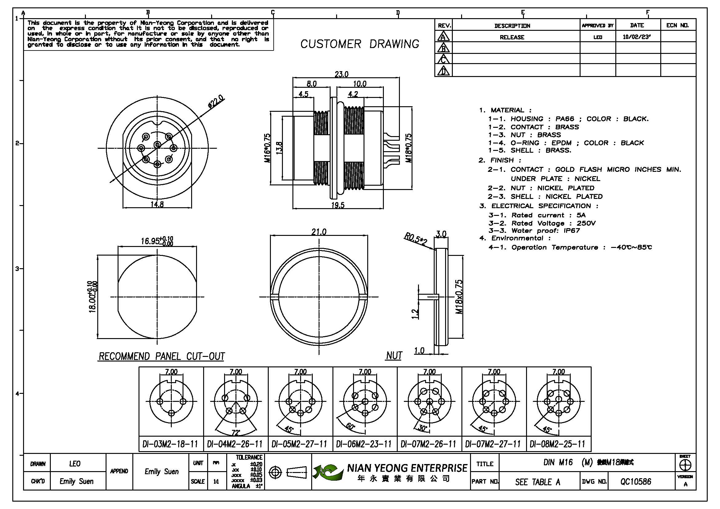
DIN M16 公頭 3PIN 後鎖焊線式防水連接器(Lock:M18*0.75)/連接器
        





DI-03M2-18-11 /連接器
產品特性
                - 種類 公頭
 - 針數 3 Pin
 - 額定電流 5A
 - 額定電壓 250V
 - 防水等級 IP67
 - 工作溫度 -40℃~85℃
 
材質
                - Housing Nylon 66
 - Contact Brass
 - Nut Brass
 - Shell Brass
 - O-Ring EPDM
 
配件
                - 防水蓋/防塵蓋 NY-WP1307-11
 
產品影片
/ 連接器