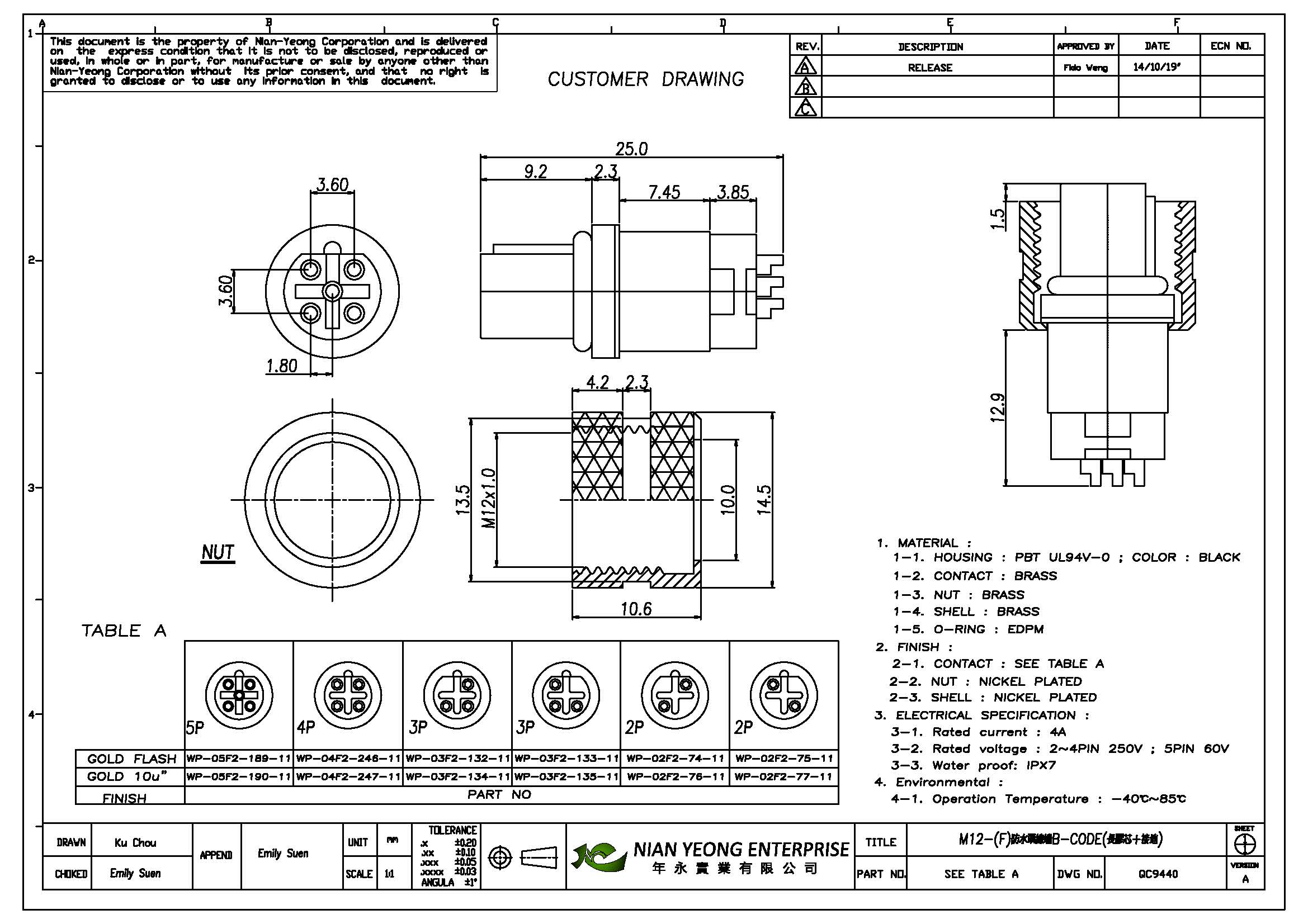
M12 母頭 5PIN B-Coded 線端焊線式防水連接器(帶接地)/連接器






WP-05F2-189-11/連接器
產品特性
- 種類 母頭
- 針數 5 Pin
- 額定電流 4A
- 額定電壓 60V
- 防水等級 IP67
- 工作溫度 -40℃ ~ 85℃
材質
- Housing PBT
- Contact Brass
- Nut Brass
- Shell Brass
- O-Ring EPDM
配件
- 防水蓋/防塵蓋 NY-WP060
產品影片
/ 連接器